在线咨询
在线沟通,请点我在线交谈
联系电话:
183-2141-9475

设计原理
*MVP系列双极直联高速旋片式真空泵,以创新设计,精良的制造,满足客户的需求,填补其他产品在较大抽速的空白
*构造由上盖,油箱,电机支座,泵芯组成,配置上逆阀保护真空泵和真空系统。效率高,易操作及维修方便。
*真空泵泵体和电机为直连,电机旋转的同时带动转子旋转。转子旋转的同时圆心力作用下转子槽内的两个旋片接触棒体内侧壁旋转。旋片槽通道通过的气体,排气阀回转的同时压缩气体。压缩气体打开排气阀通过排气口排出去。运动的部位提供真空油起到润滑和密封作用。

* 设计特征
1. 优秀的真空度以及排气速度
2. 完善的内置进气口止逆阀系统在停止时保护真空系统
3. (Quick clamp & ISO flange)采用国际标准法兰
4. 低噪音,低震动
5. 恒定压力油循环系统
6. 方便的气镇阀控制
7. 维修和保养简便
外部结构示意图
![1550461278812095.png `CGX]M]R8DK7ENS50%TV`}3.png](/uploadpic/ueditor/image/20190218/1550461278812095.png)
技术参数

抽气速度曲线图

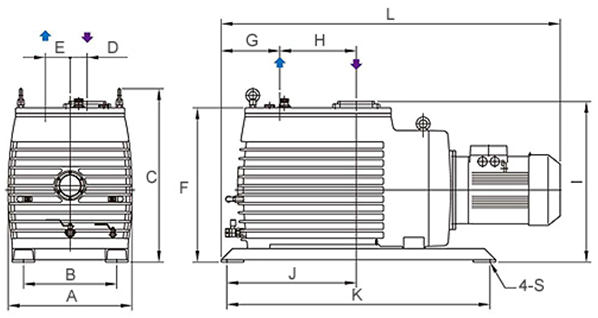
外形尺寸图(MVP44,216,324型号)
![1550461313114064.png }O9@K][(K39ZI0CY2}VS%~2.png](/uploadpic/ueditor/image/20190218/1550461313114064.png)

![1550461329230822.png (ITSK`C$X`DIR][8AEM(KQC.png](/uploadpic/ueditor/image/20190218/1550461329230822.png)